集钢材贸易、仓储为一体的
综合性企业
服务咨询热线:
0535-6525189
网站首页
关于冠宇
产品展示
新闻中心
企业荣誉
联系我们
在线留言
在线选购
牌号解析
/ news center
当前位置 :
主页
>>
新闻中心
>>
牌号解析
栏目导航
column Navigation
公司新闻
行业动态
牌号解析
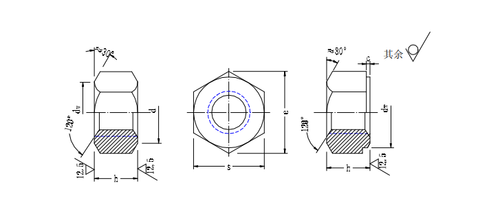
钢结构用扭剪高强度螺母的规格、尺寸及重量
更新时间:24/02/23 09:49:02 来源:
www.yantaiguanyu.com
上一条:
钢结构用扭剪型高强度垫圈的规格、尺寸及重量
下一条:
钢结构用高强度垫圈的规格、尺寸及重量
相关资料
冷轧钢板及钢带——低碳和超低碳钢板及钢带
冷轧钢板及钢带——高强度无间隙原子钢板及钢带
冷轧钢板及钢带——烘烤硬化高强度钢板及钢带
冷轧钢板及钢带——低合金高浓度钢板及钢带
冷轧钢板及钢带——双相高强度冷轧钢板及钢带
相关产品
建材产品
有色金属
酸洗汽车钢板
镀铝锌
汽车钢
网站地图
|
免责声明
城市分站:
主站
烟台
芝罘区
福山区
开发区
莱山区
牟平区